Bir çizim belirli bilgileri içermesi gerekir. Çoğu çizimlerde ölçülendirmelerin (Mümkün olduğunca ve basit) olduğunu görebiliriz. Eğer bir ev alacak kişi olsaydınız, sadece kat planına bakarak, hiçbir ölçülendirme yapılmamış bir plana bakarak ev alır mıydınız? Veya bir işçi olsaydınız, ölçülendirme yapılmamış bir plana, projeye göre uygulamaya geçebilir miydiniz? Bu iki soru ölçünün önemini anlamamıza yeter.Ölçülendirme sadece ölçüleri içermemelidir. Ölçülendirme, basit, anlaşılır ve makul birimlere binayen yapılmalıdır.
Bir çizimi ölçülendirmenin birkaç yolu ve ölçülendirme şekli vardır. Mesela bir statik yapı projesi ölçlendirme ile mekanik dişli ölçülendirmesi yapılırken aynı şeylere dikkat etmek mümkün değildir. Mutlaka ağırlıklı önemsenen kısımlar farkedecektir.
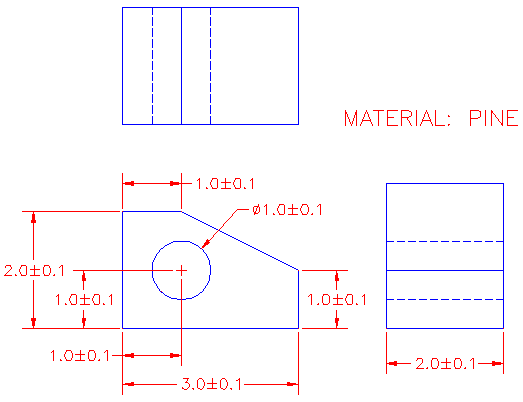
Mesela aşağıdaki çizimi farklı farklı, gösterilen şekildeki gibi ölçülendirebilirsiniz.

Eğer bunun gibi basit ve bir tane şekliniz var ise el ile teker teker ölçülendirme yapmanız gayet olağandır, fakat bir çizimde 50+ çember olabilir, bu şekilde tek tek el ile yapmanız hem vakit kaybı hem de gereksiz bir işkencedir. İşte bu tarz durumlarda kısa ve pratik yoldan toplu işlem yapmayı öğreneceğiz.
Mesela başka bir durum olan toleranslı bir ölçülendirme yapmanız da gerekebilir.

DDIM komutu ile kolay bir şekilde ölçülerinizi değiştirebilirsiniz. Bu komut ölçülendirme parametrelerinizi değiştirmeniz için bir diyalog kutusu açar. Mesela ölçülendirme de yazı stilini değiştirmek istiyorsunuz diyelim.
Autocad gerçekten çok yönlü bir programdır. Bir sonuca ulaşmanın birkaç yolu olabilir. Bir ölçülendirmede kısmi düzenleme de yapabilirsiniz. Ölçülendirmede ki isimlendirmeleri inceleyelim.
- Dimension Text : Ölçülendirme yazısı
- Dimension Line : Ölçü çizgisi
- Arrow Head : Uç oklar
- Extention Line : Bitiş çizgisi
- Center Mark : Orta nokta
- Extend Beyond Dim Line : Ölçü çizgisi uzantısı
- Leader : Lider (Obje)

Ölçü metni biçimlendirmelerine ait bazı örnekleri aşağıda görebilirsiniz. (Yazı, Ek not, Alternatif birim, Ondalık sayı, Orjinal sayı)

Ölçülendirme Stil Yöneticisi (Dimension Style Manager)
Şimdi gelelim bu gördüğümüz örnekleri nasıl yapacağımıza. Tüm seçenek ve özellikler DDIM (Dimension Style Manager) komutu yazılarak açılan dialog penceresinde mevcuttur.

Komutu girdiğinizde karşınıza yukarıdaki gibi bir pencere çıkacaktır.
DDIM komutu ile başladık ve daha sonra NEW (YENİ) butonuna tıklayıp aşağıdaki gibi açılan küçük dialog penceresinde yeni stilinizin adını giriniz. Ben örnek olarak "DIMSTYLE 1" giriyorum.

Burada "Start with" ve "Standard" özelliklerini seçebilirsiniz. Continue (Devam et) butonuna basarak devam ediyoruz. Tüm ayarlar yapılandırışmış oluyor. Şimdi yeni bir ayarlar sekmesi açılacak. Bu pencereyi OK (TAMAM) butonuna basıp kapatabiliriz.
Tekrar "Dimension Style Manager" penceremize dönüyoruz, burada açılan penceremizde ikinci sekmede (Symbols and Arrows) Semboller ve okları biçimlendirebiliriz.

Zaten sekme isimlerinden de anlaşılacağı gibi biraz karıştırarak çok farklı biçimlerde ölçülendirme stilleri oluşturabilirsiniz.
3. Sekmemiz, Metin (Text) Sekmesi
Aşağıdaki şekilde de görünlüğü gibi Text Style (Metin stili), Text Color (Metin Rengi), Fill Color (Metni Dolduracak Renk), Text Height (Yazı Büyüklüğü)
Text Aligment (Metin Hizalaması)
Horizontal (Yatay), Aligned with dimension line (Ölçü çizgisine hizalı), ISO standard (ISO standartlarına uygun)

Primary Units (Birincil Birim) anlamına gelen sekme

Tüm kırmızı ile gösterilen alanlar ile yukarıdaki örneklerimiz gibi ölçülendirme yapabilirsiniz. Tüm ölçülendirme bittikten sonra ölçüleri orntılı bir şekilde büyütmek veya küçültmek için DIMSCALE komutunu kullanabilirsiniz.
DIMSCALE komutu örnek kullanımı :
Command: DIMSCALE
Enter new value for DIMSCALE <1.0000>: 12
Command: DIM
Dim: UPDATE
Select objects: ALL (2 found)
Select objects:
Press twice to exit the Dim prompt.
Ve son sekmemiz Tolerances (Tolerans) sekmesi :
Method ve Precision (İlk ondalık) menülerinden seçimleri yaptıktan sonra Upper Value (Yukarı tolerans, yani yukarı esneklik payı) ve aynı şekilde aşağı tolerans olan Lower Value değerlerimiz ile toleranslı ölçülendirme yapabilirsiniz. Vertical Position seçeneği ile Dikey Hizalamayı ayarlayabilirsiniz. Biz Middle Seçerek ortalamasını istedik.

Şimdi bunları öğrendikten sonra tekrar örneklerimize dönelim, sizin de yapabileceğiniz ve gelişmiş bir ölçülendirme.. Güzel görünüyor değil mi?

Şimdiye kadar en azıdan basit düzeyde ölçülendirmenin mantığını anlamış olduk. Bu sekme ve ayarları karıştırarak daha alternatif biçimlendirmeler öğrenebilirsiniz.
Şimdi son olarak Ölçülendirme de olmazsa olmaz olan, ölçülendirme standartlarına göz atalım.
Autocad'te İyi Bir Ölçülendirme Nasıl Yapılır?
- Ayrı bir katmanda tutun.
- Projenize daha fazla nesneler ekleme ihtimalinize karşı ölçülendirme yerlerinde hareket olabilir, proje sonunda boyutlandırın.
- Osnap komutunu mutlaka kullanın.
- Onlara çizimde benzersiz bir renk atayın ve katmanları daha kolay belirlemek için tüm çizimlerde aynı rengi kullanın.
- Karartma yerleştirirken DDE kullanın. Yan hatlarda değil (nesne ya da boyut olarak) üzerinde deneyin.
- Proje boyut dışında tutabilir bu yüzden tüm ölçümlerin sığdığına emin olmak için yeterli boyutları kullanın.
- Anlaşılır olması için, aşırı büyük veya aşırı küçük boyutta değil, normal boyutlandırın.
Umarım faydalı olmuştur.
Unutmayın profesyonel Autocad İnternetten veya başka bir yerden öğrenilmez, temeller atılır, gerisi size kalır..
Hoşçakalın.


Toplam 2 Yorum
MEHTAP SUNAR
27.09.2017 11:02:27
Benim bir sorum olacak Hafzullah bey, Autocad de ölçülendirme yaptıktan sonra dımstyle özelliğini değiştirmek istediğimizde,toplu olarak tüm ölçüleri seçip bu işlemi gerçekleştirebilir miyiz!!diğer nesneleri toplu olarak selecktsımılar komutu ile secebiliyorum ama ölçüleri secemiyorum. Yardımcı olur musunuz?
Hafzullah Yıldırım
07.10.2017 22:34:32
_qselect komutunu kullanarak tüm ölçülendirmeleri kriterlendirerek dahi seçebilirsiniz.
Samiyilmaz
12.09.2018 20:00:20
S.a bende motif cizimi var 50e25 ama ben bunu 74e298 yapmak istiyorum nasil enine boyuna buyute biirim